Types of Ultrasonic Proximity Sensor Switches
Single Switching Output DC
| Size | Sensing Range |
Logic | Operation | Switch Freq. | Fig. No. | Dimensions | Wiring Drg. |
Type No. | |||||||
|---|---|---|---|---|---|---|---|---|---|---|---|---|---|---|---|
| A | B | C | L | ||||||||||||
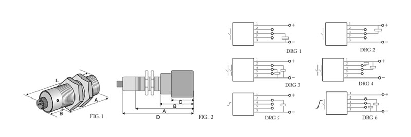
| M30 | 250 | PNP | NO | 11 | 1 | 51 | 33 | - | 84 | 1 | US | D4 | OG | NO | S2.5 |
| M30 | 250 | NPN | NO | 11 | 1 | 51 | 33 | - | 84 | 2 | US | D4 | OS | NO | S2.5 |
| M30 | 350 | PNP | NO | 08 | 1 | 51 | 33 | - | 84 | 1 | US | D4 | OS | NO | S3.5 |
| M30 | 350 | PNP | NO | 08 | 1 | 51 | 33 | - | 84 | 2 | US | D4 | OS | NO | S3.5 |
| M30 | 1300 | PNP | NO | 06 | 1 | 51 | 33 | - | 84 | 1 | US | D4 | OG | NO | S13 |
| M30 | 1300 | NPN | NO | 06 | 1 | 51 | 33 | - | 84 | 2 | US | D4 | OS | NO | S13 |
| M30 | 3400 | PNP | NO | 03 | 2 | 69 | 33 | 19.5 | 102 | 1 | US | D4 | OG | NO | S34 |
| M30 | 3400 | NPN | NO | 03 | 2 | 69 | 33 | 19.5 | 102 | 2 | US | D4 | OS | NO | S34 |
| M30 | 6000 | PNP | NO | 02 | 2 | 72 | 33 | 22.5 | 105 | 1 | US | D4 | OG | NO | S60 |
| M30 | 6000 | NPN | NO | 02 | 2 | 72 | 33 | 22.5 | 105 | 2 | US | D4 | OS | NO | S60 |
| M30 | 250 | PNP | NO | 11 | 1 | 64 | 20 | - | 84 | 1 | US | D4 | OG | NO | S2.5 |
| M30 | 350 | PNP | NO | 08 | 1 | 64 | 20 | - | 84 | 1 | US | D4 | OG | NO | S3.5 |
| M30 | 1300 | PNP | NO | 06 | 1 | 64 | 33 | - | 84 | 1 | US | D4 | OG | NO | S13 |
| M30 | 3400 | PNP | NO | 03 | 2 | 69 | 33 | 19.5 | 102 | 1 | US | D4 | OG | NO | S34 |
| M30 | 6000 | PNP | NO | 02 | 2 | 72 | 33 | 22.5 | 105 | 1 | US | D4 | OG | NO | S60 |
Double Switching Output DC
| Size | Sensing Range |
Logic | Operation | Switch Freq. | Fig. No. | Dimensions | Wiring Drg. |
Type No. | |||||||
|---|---|---|---|---|---|---|---|---|---|---|---|---|---|---|---|
| A | B | C | L | ||||||||||||
| M30 | 250 | PNP | NO | 11 | 1 | 51 | 33 | - | 84 | 3 | US | D4 | OG | NO | D2.5 |
| M30 | 250 | NPN | NO | 11 | 1 | 51 | 33 | - | 84 | 4 | US | D4 | OS | NO | D2.5 |
| M30 | 350 | PNP | NO | 08 | 1 | 51 | 33 | - | 84 | 3 | US | D4 | OG | NO | D3.5 |
| M30 | 350 | NPN | NO | 08 | 1 | 51 | 33 | - | 84 | 4 | US | D4 | OS | NO | D3.5 |
| M30 | 1300 | PNP | NO | 06 | 1 | 51 | 33 | - | 84 | 3 | US | D4 | OG | NO | D13 |
| M30 | 1300 | NPN | NO | 06 | 1 | 51 | 33 | - | 84 | 4 | US | D4 | OS | NO | D13 |
| M30 | 3400 | PNP | NO | 03 | 2 | 69 | 33 | 19.5 | 102 | 3 | US | D4 | OG | NO | D34 |
| M30 | 3400 | NPN | NO | 03 | 2 | 69 | 33 | 19.5 | 102 | 4 | US | D4 | OS | NO | D34 |
| M30 | 6000 | PNP | NO | 02 | 2 | 72 | 33 | 22.5 | 105 | 3 | US | D4 | OG | NO | D34 |
| M30 | 6000 | NPN | NO | 02 | 2 | 72 | 33 | 22.5 | 105 | 4 | US | D4 | OS | NO | D34 |
Analog Output
| Size | Sensing Range |
Logic | Operation | Switch Freq. | Fig. No. | Dimensions | Wiring Drg. |
Type No. | |||||||
|---|---|---|---|---|---|---|---|---|---|---|---|---|---|---|---|
| A | B | C | L | ||||||||||||
| M30 | 250 | - | - | 320 | 1 | 51 | 33 | - | 84 | 5 | US | A4 | A2.5 | ||
| M30 | 350 | - | - | 400 | 1 | 51 | 33 | - | 84 | 5 | US | A4 | A3.5 | ||
| M30 | 1300 | - | - | 200 | 1 | 51 | 33 | - | 84 | 5 | US | A4 | A13 | ||
| M30 | 3400 | - | - | 120 | 2 | 69 | 33 | 19.5 | 102 | 5 | US | A4 | A34 | ||
| M30 | 6000 | - | - | 80 | 3 | 72 | 33 | 22.5 | 102 | 5 | US | A4 | A60 | ||
Analog O/P Plus Switched O/P
| Size | Sensing Range |
Logic | Operation | Switch Freq. | Fig. No. | Dimensions | Wiring Drg. |
Type No. | |||||||
|---|---|---|---|---|---|---|---|---|---|---|---|---|---|---|---|
| A | B | C | L | ||||||||||||
| M30 | 250 | - | - | 320 | 1 | 51 | 33 | - | 84 | 6 | US | AD4 | 2.5 | ||
| M30 | 350 | - | - | 400 | 1 | 51 | 33 | - | 84 | 6 | US | AD4 | 3.5 | ||
| M30 | 1300 | - | - | 200 | 1 | 51 | 33 | - | 84 | 6 | US | AD4 | 13 | ||
| M30 | 3400 | - | - | 120 | 2 | 69 | 33 | 19.5 | 102 | 6 | US | AD4 | 34 | ||
| M30 | 6000 | - | - | 80 | 3 | 72 | 33 | 22.5 | 102 | 6 | US | AD4 | 60 | ||
Anticollision / Collision Preventor Switch
Features:
- Suitable for collision prevention of mobile objects like cranes
- Adjustable sensing range up to 5 Meters in diffuse and 20 Meters in retro reflective mode
- Easy installation
- Two relay outputs with separate gain control

Specifications:
- Supply : 230 V AC
- Range : 0.5 to 5 Meters
- Light Source : Infrared Diode
- O/ P : 2 C/O relay contact , 2 Amp, as well as 2 nos. NPN transistor O/P


